Трансформаторный датчик

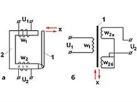
Трансформа́торный да́тчик, измерительный преобразователь в виде трансформатора, вторичное напряжение которого изменяется в результате изменения воздушного зазора в сердечнике (или взаимного перемещения обмоток) пропорционально измеряемой величине (перемещению, усилию).
Статья находится в рубриках
Яндекс.Метрика