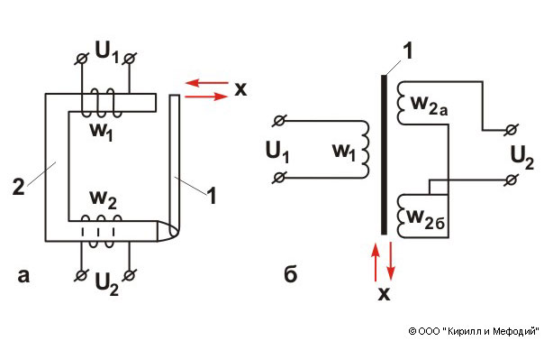
Трансформаторный датчик (схема)

Принципиальная схема трансформаторного датчика перемещения: а — с переменным зазором; б — дифференциального; 1 — подвижная часть магнитопровода (якорь); 2 — его неподвижная часть; U1 — напряжение питания; U2 — вторичное напряжение; w1, w2 — обмотки датчика; х — измеряемая величина (перемещение).
Яндекс.Метрика