Совпадений схема

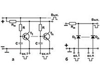
Совпаде́ний схе́ма, переключательный элемент (обычно на диодах, транзисторах или интегральной схеме), на выходе которого сигнал появляется только при наличии сигналов на всех его входах одновременно. Применяется в устройствах вычислительной техники (реализует логическую операцию умножения — конъюнкцию), автоматики, измерительной техники, радиотехники и др.
Статья находится в рубриках
Яндекс.Метрика