Рубрики
А-Я
Хронограф
Словари
Авторам
О проекте
Случайная статья
Редактировать
Распечатать
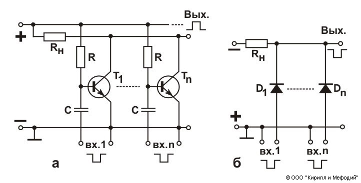
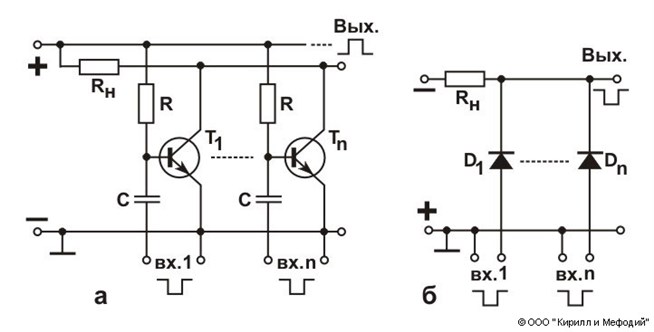
Совпадений схема
Схема совпадений: а — на транзисторах; б — на диодах; Rн — сопротивление нагрузки; R — сопротивления в цепи смещения; С — конденсатор (емкость) в цепи смещения; Т1, ..., Тn — транзисторы; D1, ..., Dn — диоды.
Навигатор