Магнитный пускатель

Магни́тный пуска́тель, электрический выключатель с контактной системой, замыкаемой обычно электромагнитами, предназначенный для дистанционного управления (пуска, остановки, изменения направления) и защиты асинхронных электродвигателей малой и средней мощности с короткозамкнутым ротором. Существуют реверсивные и нереверсивные магнитные пускатели. Состоят из контактора, кнопочного поста и теплового реле. Контактор магнитного пускателя, как правило, имеет 3 главные контактные системы (для включения в трехфазную сеть) и от 1 до 5 блок-контактов.
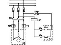
При нажатии кнопки «пуск» на обмотку контактора ОР подается напряжение, контактор срабатывает, замыкая главные контакты ГК и блок-контакты БК; БК шунтируют контакты нажатой кнопки, что позволяет отпустить ее после запуска двигателя. С нажатием кнопки «стоп» цепь питания ОР разрывается и ГК размыкаются. При резком возрастании силы потребляемого тока вследствие перегрузки или неисправности электродвигателя срабатывает тепловое реле ТР и размыкает контакты КТР, включенные в цепь питания ОР. Реверсивные магнитные пускатели оборудованы двумя контакторами, сблокированными между собой механически и электрически, при этом во включенном положении может находиться лишь один из контакторов. При поочередном включении контакторов переключаются фазы питания и направление вращения электродвигателя изменяется.
Выпускаются магнитные пускатели в обыкновенном, защищенном и взрывобезопасном исполнении.
Статья находится в рубриках
Яндекс.Метрика