Рубрики
А-Я
Хронограф
Словари
Авторам
О проекте
Случайная статья
Редактировать
Распечатать
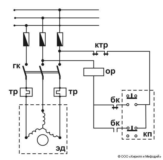
Магнитный пускатель (нереверсивный, схема)
Схема нереверсивного магнитного пускателя: ГК — главные контакты; КТР — контакты теплового реле; ОР — обмотка контактора; ТР — тепловое реле; БК — блок-контакты; КП — кнопочный пульт; ЭД — электродвигатель.
Навигатор