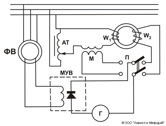
Принципиальная электрическая схема феррометра: Г — магнитоэлектрический гальванометр; МУВ — механически управляемый выпрямитель; ФВ — фазовращатель; П — переключатель; w1 — намагничивающая катушка; w2 — измерительная катушка; М — катушка взаимной индуктивности; АТ — автотрансформатор.