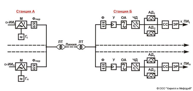
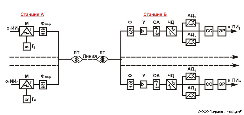
Тональное телеграфирование (схема)

Схема тонального телеграфирования с частотной модуляцией и частотным делением спектра телефонного канала: ИИ — источники информации; М — модуляторы; Г — генераторы; Фпер — фильтры передачи; ЛТ — линейные трансформаторы; Фпр — фильтры приема; У — усилители; ОА — ограничители амплитуды; ЧД — частотные детекторы; АД — амплитудные детекторы; СС — схемы сравнения; ЭР — электронные реле; ПИ — приемники информации; f — несущие частоты М; f1 и f2 — характеристические частоты ЧД.
Яндекс.Метрика