Рубрики
А-Я
Хронограф
Словари
Авторам
О проекте
Случайная статья
Редактировать
Распечатать
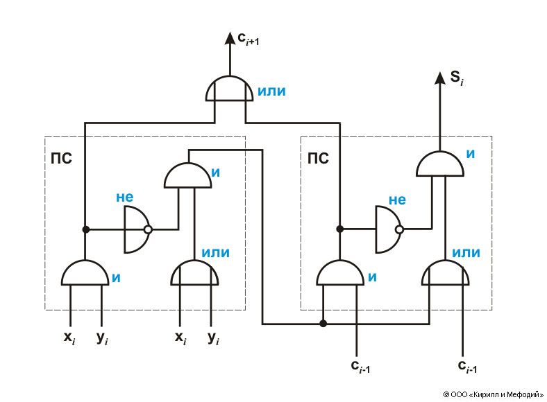
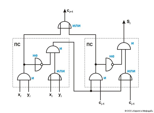
Сумматор (схема)
Схема сумматора на 3 входа из двух полусумматоров (ПС) и элемента «или»; x
i
, y
i
— слагаемые; с
i-1
— перенос из младшего разряда; S
i
— сумма; C
i+1
— перенос в старший разряд.
Навигатор