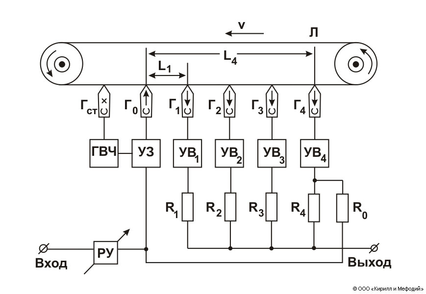
Ревербератор (магнитный, схема)

Схема устройства магнитного ревербератора: РУ — регулятор уровня звука; ГВЧ — генератор высокой частоты для стирания записи; Гст — стирающая магнитная головка; УЗ — усилитель записи (звуковых частот); Г0 — записывающая магнитная головка; УВ1, …, УВ4 — усилители воспроизведения (звуковых частот); Г1, ..., Г4 — воспроизводящие магнитные головки; Л — магнитная лента; R0, ..., R4 — развязывающие резисторы; L1, ..., L4 — расстояния между записывающей и воспроизводящими головками. Стрелкой показано направление движение ленты. Длительность задержки запаздывающих сигналов ti = li/v (i = 1, ..., 4; v — скорость движения ленты).
Яндекс.Метрика