Приемный Радиоцентр (схема)

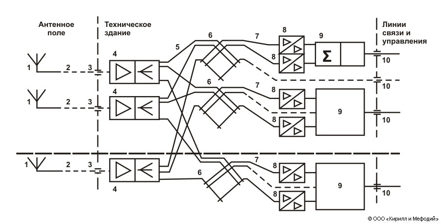
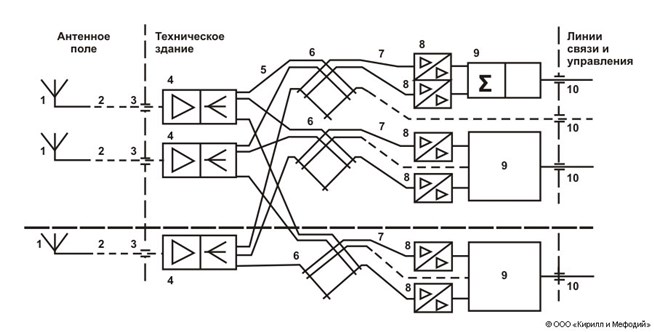
Обобщенная структурная схема приемного радиоцентра: 1 — антенна; 2 — фидерная линия; 3 — антенный ввод; 4 — широкополосный антенный усилитель (с встроенным, реже автономным разветвителем); 5 — высокочастотная разводка усилители — коммутаторы; 6 — антенный коммутатор; 7 — высокочастотная разводка коммутатор — группа радиоприемников; 8 — радиоприемник (2 верхних — для сдвоенного приема); 9 — промежуточная и оконечная аппаратура приемного тракта; 10 — вывод линии связи и управления.
Яндекс.Метрика