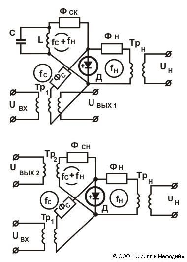
Эквивалентные схемы параметрических усилителей: а — регенеративного; б — «с преобразованием частоты вверх»; uвх — входной сигнал с несущей частотой fc, uн — напряжение «накачки»; uвых1 — выходной сигнал с несущей частотой fc; uвых2 — выходной сигнал с несущей частотой (fc + fн); Tp1 — входной трансформатор; Тр2 — выходной трансформатор; Тр2 — трансформатор в цепи «накачки»; Д — параметрический полупроводниковый диод; L — катушка индуктивности колебательного контура, настроенного на частоту (fc + fн); Фс, Фсн, Фн — электрические фильтры, имеющие малое полное сопротивление соответственно при частотах fc, (fc + fн), fн и достаточно большое при всех других частотах.