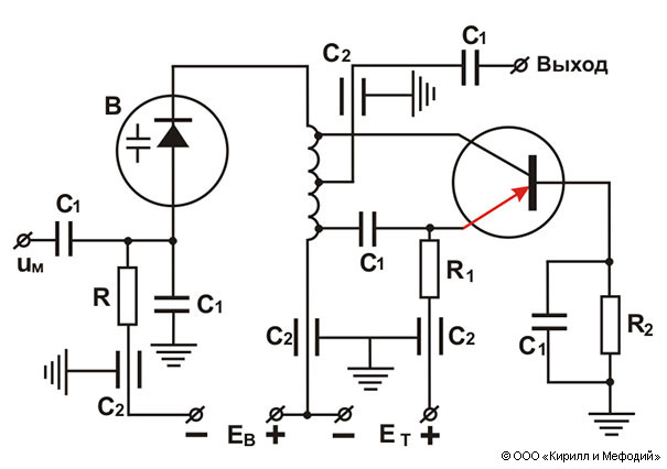
Модулятор (частотный, схема)

Варикапный частотный модулятор: В — варикап, емкость которого с индуктивностью катушки L образуют резонансный контур генератора на транзисторе Т; ЕB, ET — напряжения, подаваемые соответственно на варикап и транзистор; C1, С2 — конденсаторы развязывающих цепях. Эффективной емкостью варикапа управляет модулирующее напряжение uM.
Яндекс.Метрика