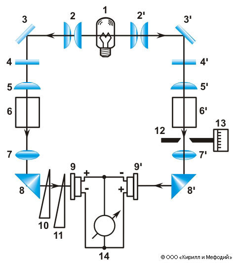
Колориметр (химический, фотоэлектрический, схема)

Принципиальная схема фотоэлектрического компенсационного колориметра типа ФЭК-М. Свет от источника 1 проходит в левом плече прибора (цифры без штрихов) через измеряемый раствор, в правом плече (цифры со штрихами) — через стандартный; разность сигналов селеновых фотоэлементов 9 и 9' регистрируется гальванометром 14. Неградуированные фотометрические клинья 10, 11 служат для установки гальванометра на нуль в отсутствие растворов. Оптическая компенсация, т. е. сведение разности сигналов приёмников 9 и 9' к нулю после установки кювет с растворами 6 и 6', осуществляется щелевой диафрагмой 12 с отсчётным барабаном (шкалой) 13, 2, 2' — конденсоры; 3, 3' — зеркала; 4, 4' — светофильтры; 5, 5' и 7, 7' — линзы; 8, 8' — призмы.
Яндекс.Метрика