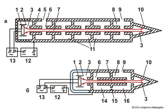
Клистрон (пролетный, схема)

Схемы конструкции пролётных клистронов: а — усилительного, б — генераторного: 1 — катод; 2 — фокусирующий цилиндр; 3 — электронный поток; 4 — входной объёмный резонатор; 5 — отверстие для ввода энергии сверхвысоких частот; 6 — зазор объёмного резонатора; 7 — пространство дрейфа; 8 — выходной объёмный резонатор; 9 — отверстие для вывода энергии сверхвысоких частот; 10 — коллектор, принимающий электронный поток; 11 — промежуточные объёмные резонаторы; 12 — источник постоянного анодного напряжения; 13 — источник напряжения подогрева катода; 14 — первый объёмный резонатор; 15 — щель связи, через которую часть энергии сверхвысоких частот проходит из второго резонатора в первый; 16 — второй объёмный резонатор.
Яндекс.Метрика