Рубрики
А-Я
Хронограф
Словари
Авторам
О проекте
Случайная статья
Редактировать
Распечатать
Индуктивный датчик (схема)
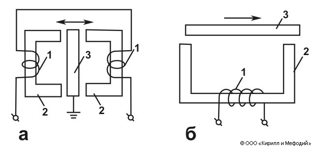
Схема конструкции индуктивного датчика: а — с переменным воздушным зазором; б — с переменной площадью воздушного зазора: 1 — катушка индуктивности; 2 — сердечник; 3 — якорь.
Навигатор