Рубрики
А-Я
Хронограф
Словари
Авторам
О проекте
Случайная статья
Редактировать
Распечатать
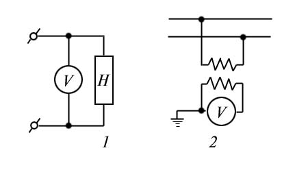
Вольтметр (схема)
Схема включения вольтметра: 1 – с нагрузкой; 2 – через измерительный трансформатор.
Навигатор