Фотодиод

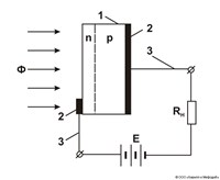
Фотодио́д — полупроводниковый диод с односторонней фотопроводимостью; обладает данным свойством при воздействии на него оптического излучения. Обычно это полупроводниковый кристалл с электронно-дырочным переходом, который снабжен двумя металлическими выводами.
Фотодиод является приемником оптического излучения, преобразует свет попавший на фоточувствительную область свет в электрический заряд за счет процессов в p-n-переходе. Фотодиод, работа которого основана на фотовольтаическом эффекте (разделение электронов и дырок в p- и n- области, за счет чего образуется заряд называется солнечным элементом. Кроме p-n фотодиодов существуют и p-i-n фотодиоды, в которых между слоями p- и n- находится слой изолятора i. p-n и p-i-n фотодиоды преобразуют свет в электрический ток, но не усиливают его, в отличие от лавинных фотодиодов и фототранзисторов. Фотодиоды используются в различного вида светочувствительных датчиках (например, в КМОП-сенсорах). В 2000-х годах кокуренцию им составили другие типы фотоприемных устройств, в том числе ПЗС.
Фотодиоды находят широкое применение в устройствах автоматики, вычислительной, измерительной техники и других приборах в качестве генератора фотоэдс (смотри Электродвижущая сила) или для управления током в электрических цепях.
Статья находится в рубриках
Яндекс.Метрика