Рубрики
А-Я
Хронограф
Словари
Авторам
О проекте
Случайная статья
Редактировать
Распечатать
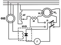
Феррометр
Схема
Ферро́метр, устройство для определения мгновенных значений индукции и напряженности магнитного поля в ферромагнитных образцах. Феррометр позволяет строить
намагничивания кривые
.
Статья находится в рубриках
ТЕХНИКА
»
Основные отрасли техники
»
Измерительная техника. Метрология
Навигатор