Рубрики
А-Я
Хронограф
Словари
Авторам
О проекте
Случайная статья
Редактировать
Распечатать
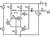
Фантастрон
Схема
Фантастро́н, импульсный генератор, вырабатывающий электрические колебания пилообразной формы с очень малым коэффициентом нелинейности. Возбуждается по сигналу извне. Модификация фантастрона — санатрон.
Статья находится в рубриках
ТЕХНИКА
»
Основные отрасли техники
»
Электротехника. Импульсная техника. Источники тока
Навигатор