Решающий усилитель

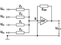
Реша́ющий усили́тель, в средствах аналоговой вычислительной техники — комплексное устройство, состоящее из усилителя постоянного тока и внешних радиоэлементов, образующих цепь отрицательной обратной связи; предназначен для выполнения некоторых математических операций (напр., суммирования, интегрирования, умножения на постоянный коэффициент) над аналоговыми величинами. Усилитель без цепи обратной связи называется операционным усилителем.
Статья находится в рубриках
Яндекс.Метрика