Ионизационная камера

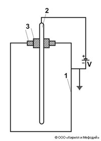
Ионизацио́нная ка́мера, прибор для регистрации и спектрометрии частиц в виде электрического конденсатора, заполненного газом. Действие основано на измерении электрического заряда, возникающего при ионизации газа отдельной частицей либо потоком частиц за определенный промежуток времени.
Статья находится в рубриках
Яндекс.Метрика