Автотрансформатор

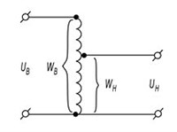
Автотрансформа́тор — электрический трансформатор, в котором первичная и вторичная обмотки соединены напрямую и имеют за счет этого не только электромагнитную связь, но и электрическую связь. Обмотка автотрансформатора имеет несколько выводов (как минимум три), подключаясь к которым, можно получать разные напряжения. Преимуществом автотрансформатора является высокий коэффициент полезного действия, так как лишь часть мощности подвергается преобразованию, что существенно, когда входное и выходное напряжения отличаются незначительно. Недостатком автотрансформатора является отсутствие электрической изоляции (гальванической развязки) между первичной и вторичной цепью. В промышленных сетях, где наличие заземления нулевого провода обязательно, этот фактор роли не играет, зато появляется возможность сэкономить сталь для сердечника, медь для обмоток, получить трансформатор с меньшим весом и габаритами.
При малых коэффициентах трансформации автотрансформаторы легче и дешевле многообмоточного трансформатора. Мощные автотрансформаторы применяются для связи электрических сетей, имеющих близкие значения напряжений, служат преобразователями электрического напряжения в пусковых устройствах мощных электродвигателей переменного тока, в схемах релейной защиты для плавного регулирования напряжения. Маломощные регулируемые автотрансформаторы позволяют, благодаря механическому перемещению точки отвода вторичного напряжения, сохранять постоянное напряжение при изменениях первичного напряжения.
Статья находится в рубриках
Яндекс.Метрика